Муфта оптическая ОК FOSC-400А4-96F
24380 тг.
Характеристики
Наличие на складе
—
406, шт
Тип
—
Муфта тупиковая
Количество портов ввода/вывода
—
5
Количество круглых вводов/выводов
—
4
Количество овальных вводов/выводов
—
1 шт.
Количество сварных соединений
—
96
Цена действительна только для интернет-магазина и может отличаться от цен в розничных магазинах
Муфта оптическая ОК FOSC-400А4-96F
24380 тг.
#PROP_TITLE#
—
#PROP_VALUE#
Муфта оптическая ОК FOSC-400А4-96F
Описание:
Оптическая муфта OK-FOSC-400A4 идеальное решение для защиты волоконных соединений и их дальнейшего распределения. Может прокладываться в непосредственно в грунт, монтироваться на опорах воздушных сетей, а также для любой внешней или внутри-объектной прокладки. Максимальное количество сварок в муфте может достигать 96-и. Этого достаточно для применения во всех распределительных сетях FTTH (волокно в дом). Все муфты FOSC имеют простую и надежную в использовании механическую систему герметизации корпуса с основанием. Кабельные порты герметизируются термоусаживаемыми трубками и устанавливаются при помощи нагрева. Один размер кабельной герметизации может использоваться на любых размерах и типах кабеля. Новые кабели могут быть введены без воздействия на существующие кабели и/или сростки. FOSC действительно универсальная и надежная платформа для любого волоконного соединения кабеля, как на внешней сети, так и внутри помещений. Более того, дизайн оптической муфты OK-FOSC-400A4 делает монтаж очень легким.Муфты FOSC поставляются в полной комплектации со всеми необходимыми инструментами и аксессуарами для установки.
Оптическая муфта OK-FOSC-400A4 используется в:
Телекоммуникационных сетяхСетях цифрового абонентского телевидения
Локальных сетях передачи данных
Сетях FTTH (волокно в дом)
Особенности:
Сопротивление вибрациям, ультрафиолетовому излучению и перепадам температурыПрочная конструкция и долговечность
Обеспечивает защиту от проникновения влаги и воды
Повторное открытие для ремонта не требует инструментов
До 96 сварочных соединений
Подходит для герметичных и не герметичных сетей
Не требует специальных инструментов для монтажа
Имеет систему для крепления центрального силового элемента кабеля и хранения оптических модулей/сплиттеров
Передовой внутренний дизайн защищающий волокна от внешнего воздействия
Имеет достаточно места для хранения запаса оптического волокна или оптических модулей
Сплайс-кассеты легко могут быть добавлены или наоборот
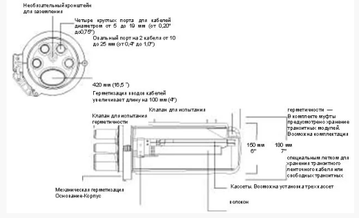
Может использоваться для ответвительных соединениях. Ответвительные соединения — это, где большинство волокон в кабеле «проходят транзитом» через муфту и только несколько волокон выделены из кабеля и подаются в здание или в Оптический Сетевой Модуль (ОСМ). Муфта FOSC S4 полностью готова для хранения "транзитных"свободных буферных трубок. Имеются варианты лотков для свободного хранения транзитных пучков волокон и лент волокон
Предоставляет легкий доступ к волонно-оптическим сварным соединениям во время монтажа и сварки
Металлические крепления стойки к коррозии и механическому воздействию
Конструкция сплайс-кассет и органайзера сплайс-кассет позволяет легко укладывать оптические волокна и модули внутри муфты
Соответствует RoHS
Температурный диапазон от -40°C до + 65°C Высокопрочный пластик служит до 25 лет
Рекомендуемая температуры при монтаже от -5°C до +45°C
Кабельные вводы для кабелей диаметром от Ø 5 mm до Ø 19 mm
Овальный кабельный ввод для кабелей диаметром от Ø 10 mm до Ø 25 mm
Технические характеристики:
| Количество портов ввода/вывода | 5 шт |
| Количество круглых вводов/вывод | 4 шт |
| Количество сварных соединений | 96 шт |
| Количество овальных вводов/выводов | 1 шт |
| Количество сплайс кассет | 4 шт |
| Возможность установки адаптеров | Нет |
| Тип герметизации | Герметизирующая лента, Термоусаживаемые трубки |
| Диаметр | 180 мм |
| Высота | 520 мм |
Наличие на складе
406, шт
Тип
Муфта тупиковая
Количество портов ввода/вывода
5
Количество круглых вводов/выводов
4
Количество овальных вводов/выводов
1 шт.
Количество сварных соединений
96
Количество сплайс кассет
4
Возможность установки адаптеров
Нет
Тип герметизации
Герметизирующая лента, Термоусаживаемые трубки
Диаметр
180 мм
Чтобы приобрести понравившийся товар, необходимо его заказать. Есть несколько сценариев того, как это можно сделать.
- Выбрать понравившийся товар и нажать кнопку «Заказать». При оформлении заказа заполнить форму. Вписать информацию в поля: ФИО, телефон и e-mail. Затем вам перезвонит менеджер, чтобы подтвердить ваше согласие на совершение покупки.
- Выбрать понравившийся товар и нажать кнопку «В корзину». Затем перейти в корзину и нажать «Оформить заказ». Далее заполнить форму с контактными данными и отправить заявку. С вами свяжется менеджер для дальнейшего обсуждения.
- Перейти в карточку товара и нажать «Купить в один клик». После нажатия нужно заполнить форму и отправить заявку. С вами свяжется менеджер для дальнейшего обсуждения.
Мы работаем с физическими и юридическими лицами. И предоставляем сразу два варианта оплаты.
- Наличные. Вы подписываете товаросопроводительные документы, расплачиваетесь денежными средствами, получаете товар и чек.
- Безналичный расчет. Принимаем карты Visa, MasterCard, Kaspi QR
- Оплата по счету банковским переводом.
Можем доставить ваш заказ Курьерскими службами.
- Курьерская доставка. Курьерская доставка работает с 9:00 до 18:00. Специалист предложит выбрать удобное время доставки и уточнит адрес. Сумму доставки уточните у менеджера.
- Самовывоз со склада. Для получения заказа обратитесь к сотруднику.
